COLLEGAMENTI ELETTRICI

|
-
Il CHIUDI PERSIANA B deve essere sempre protetta a monte da un interruttore automatico differenziale (salvavita) da 6 A con intervento 30 mA, avente l' apertura dei contatti superiore a 3 mm.
-
L' impianto elettrico dovrà essere realizzato in conformità con le normative in vigore nel paese di installazione.
-
Non utilizzare cavi citofonici o telefonici.
|
ATTENZIONE |
VERIFICHE DELLA PREDISPOSIZIONE IMPIANTO ELETTRICO
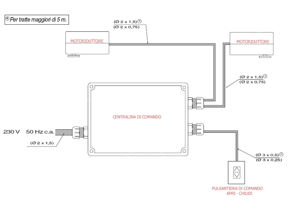
I cavi elettrici di alimentazione di rete e di comando dovranno arrivare al motoriduttore indifferentemente dalla parte destra o sinistra del vano finestra. Gli ingombri laterali dell’ automazione sono indicati nel disegno; l’uscita dei cavi della parte della finestra potrà essere compresa all’ interno di tale area.

COLLEGAMENTO ACCESSORI DI COMANDO
Dalla pulsantiera di comando devono essere posti tre fili dal diametro di 0,25 mm (per una tratta inferiore ai 5 metri) che arriveranno fino alla centralina di comando, posta tra i due motoriduttori. I tre fili servono esattamente ad i comandi di apertura, chiusura e comune. (spiegazioni più dettagliate per il collegamento verrano date nelle istruzioni allegate al meccanismo)
COLLEGAMENTO ALLA RETE
La centralina di comando dev' essere alimentata dalla rete elettrica, per questo motivo andremmo a tirare due cavi da 1,5 mm, ed esattamente:
Blu = neutro
Marrone/Nero/Grigio = fase
da un punto di corrente della rete elettrica fino alla centralina di comando posta tra i due motoriduttori. (spiegazioni più dettagliate per il collegamento verrano date nelle istruzioni allegate al meccanismo)

|
In finale devono arrivare alla centralina di comando posta vicino ai motoriduttori:
- Tre fili dal pulsante di comando; chiudi, apri e comune.
- Due fili di alimentazione dalla rete, fase e neutro.
|
INFORMAZIONI |
